概述: QPL系列B型产品广泛应用于起重、运输、冶金、矿山、港口、建筑等机械中各种机构的制动和减速,以及电缆、造纸、铜板等机械的张紧控制领域。
使用条件:环境温度: -5℃ - 40℃ 工作气压: ≦7bar; 户外雨雪侵蚀或有腐蚀性气体和介质应采用防腐型产品。 空气源不应有油、水和其他杂质。
主要特点:气压制动,弹簧释放。 整体结构简单,体积小,重量轻。 无石棉制动衬垫,绿色环保。 制动衬垫安装、更换方便快捷。 制动衬垫磨损后调整方便简单。 制动块自动随位装置,以确保制动块在整机开合运作状态下与主机制动盘上下间隙均等。 所有动力源无需单独设置,可与已有的空压站并网使用,在供气线路中加装调速阀,制动时间可实现无级调整。
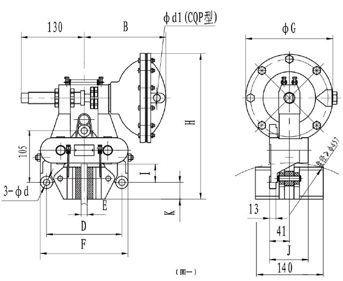
气动钳盘式制动器CQP25.4-D
所有动力源无需单独设置,可与已有的空压站并网使用,在供气线路中加装调速阀,制动时间可实现无级调整。
二、使用条件
环境温度:-40℃~ 60℃;
工作气压:5-7bar;
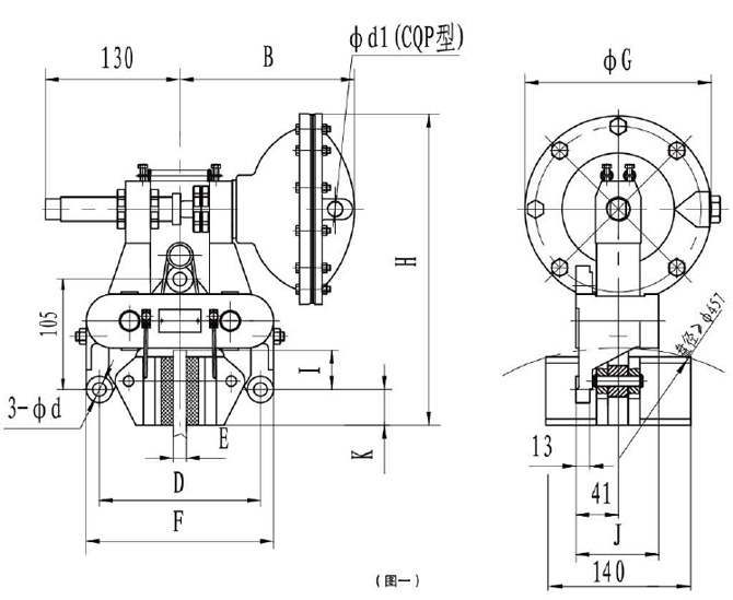
安装方式:水平安装。气动钳盘式制动器QP30-D

气动钳盘式制动架和气缸两大部门组成(见结构示意图)。

气缸1通入压力气时,活塞杆5在气压作用下迅速向气缸内收缩,
左、右制动臂在复位弹簧4作用下带动摩擦块12迅速打开(即松闸)。当气缸停止供气并通过控制阀迅速放气,活塞杆5在气缸内部弹簧下迅速伸出,顶左、右制动臂带动摩擦块12合龙(即抱闸)。
二、盘式制动器的安装
首先检查制动盘与制动衬垫的制动表面有无油泥或其它污迹。
将G3/8”(铸铁杆气缸)或1/2”(铸铝件气缸)的连接头安装在气缸1的进气口上,气管用软管连接,空气源不应有油、水和其它杂质.
·装时首先通入压力空气,是活塞杆5缩回气缸内,然后将摩擦块12在垂直制动盘的方向装如制动盘内,再将基座9水平固定在刚性机座上,使其中央与制动盘厚度中央成一直线,安装位置尺寸见结构图.
三、盘式制动器调试
调整气压值,其范围为5~7巴。
正常工作钱,首先是制动器试动作几回,检验制动器有无异常现象。
摩擦块的退距可通过旋转调整杆6来改变工作行程的大小调整其值,旋转调整杆时,首先通入压力空气使活塞杆缩回,退后再调整。
气动嵌盘式制动器有QP12.7-A、QP12.7-B,CQP12.7-A,CQP12.7-B,QP12.
7-C,QPL12.7A-A,QPL12.7A-B,CQPL12.7A-A,CQPL12.7A-B,QPL12.7-B,CQPL12.7-B,QP30-D,QP25.4-D,CQP30-D,CQP25.4-D,CQP20-D,CQP10B-A,CQP10B-B,CQP10B-F,CQP10B-A,CQP10B-B,CQP10B-F,CQP20B-A,CQP20B-B,CQP20B-F,CQP38B-A,CQP38B-B,CQP38B-F,CQPL38B-A,CQPL38B-B等规格,每种规格制动器的一种盘径可进行四级制动力矩调整匹配气包采用进口铝合金气包,性能可靠稳定,密封性能好,体积小,重量轻,根据使用性能要求分A型、B型,C型,D型,F型

盘式制动器维修
当摩擦片磨损后,工作行程增大至8mm时,需立即调整杆6使工作行程重新调整4mm左右,否则制动失效,调整后应拧紧螺母7,当摩擦块12磨损到6mm左右时需更换磨损块,更换步骤如下:
1、气缸, 2、右制动臂 3、复位弹簧 5、活塞杆 6、调整杆 7、螺母 8、左制动臂 9、基座 10、制动块11、弹簧钢丝 12、摩擦片液压直动盘式制动器:
ADH60;ADH90;ADH120;DADH75;DADH80;DADH90;DADH120;DADH195;DADH350
气动直动盘式制动器:
ADP60M;ADP61M;ADP62M
气动钳盘式制动器
CQPL12.7A-A;CQPL12.7A-B;CQPL12.7B;QPL12.7A-A;QPL12.7A-B;QPL12.7-A;QPL12.7-B;
QP30-D;QP25.4-D;CQP30-D;CQP25.4-D;PDA5;PDA10;PDB5;PDB10;PDB19;PDC5;PDC10