欢迎访问私密入口3秒自动转入-私密入口3秒自动转入-私密入口3秒自动转入官网!

私密入口3秒自动转入-私密入口3秒自动转入-私密入口3秒自动转入

当前位置:当前位置:首页 > 产品中心 > 电力液压臂盘式制动器

电力液压臂盘式制动器

电力液压鼓式制动器私密入口3秒自动转入安全盘式制动器电力失效保护制动器气动钳盘式制动器液压直动盘式制动器

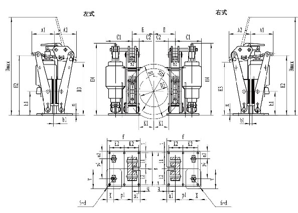
YPZ2电力液压臂盘式制动器 IV V VI系列

产品介绍 Product Introduction

YPZ2系列电力液压盘式制动器是一种高性能,多功能的先进产品,具有瓦块退距均等、制动衬垫磨损自动补偿等先进功能,匹配引进原西德EMG公司全套技术制造的Ed系列推动器,使用安全可靠,免维护,同时还可以通过增设各种限位开关,给主机提供所需的联锁保护信号。广泛适用于现代化的大型专用装卸机械、起重运输机械、冶金、港口码头等行业 ......

立即咨询 联系我们

项目介绍

YPZ2系列电力液压盘式制动器是一种高性能,多功能的先进产品,具有瓦块退距均等、制动衬垫磨损自动补偿等先进功能,匹配引进原西德EMG公司全套技术制造的Ed系列推动器,使用安全可靠,免维护,同时还可以通过增设各种限位开关,给主机提供所需的联锁保护信号。广泛适用于现代化的大型专用装卸机械、起重运输机械、冶金、港口码头等行业的减速、制动及安全保护。
按工作状态不同,制动器可分为常闭式制动器和常开式制动器两大类。按构造特征不同,制动器可分为摩擦式制动器和飞摩擦式制动器两大类。
  制动器的分类:
  制动器在设计时必须满足的基本要求:
  1.能产生足够的制动力矩。
  2.结构简单、外形紧凑、制动灵敏、迅速、平稳、可靠、安全。
  3.制动器零件必须有足够的强度和刚度。
  焦作市制动器厂家
  4.制动带、制动鼓等摩擦元件具有较高的耐磨性和耐热性。
  5.调整、维修方便。
  制动器的安装位置:
  为了减小制动转矩,缩小制动器尺寸,一般将制动器安装在机构的高速轴上或安装在减速器的输入轴上。某些安全制动器则安装在低速轴或卷筒轴上,以防止在传动机构中断轴时物品的坠落。在特殊情况下,也有将制动器安装在其他轴上的。

爱YPZ2系列IV.V,VI前图爱YPZ2系列IV.V,VI型号图YPZ2臂盘式高清1

  • 13803910788
    一键拨号
  • message
    短信咨询
  • map
    查看地图
  • ewm
    二维码